FUTABA S-HC500 HELI SERVO
- entwickelt für kleinere bis mittlere Helis (500 - 600er ) und hohe Stellkräfte
Features:
- Coreless-Motor
- High Voltage
- S.BUS
- 760uS-kompatibel (bei Auslieferung auf 1.520uS eingestellt)
- 2-3-stufiges Metallgetriebe
- Aluminium-Endstufengetriebe
- Kunststoffgehäuse
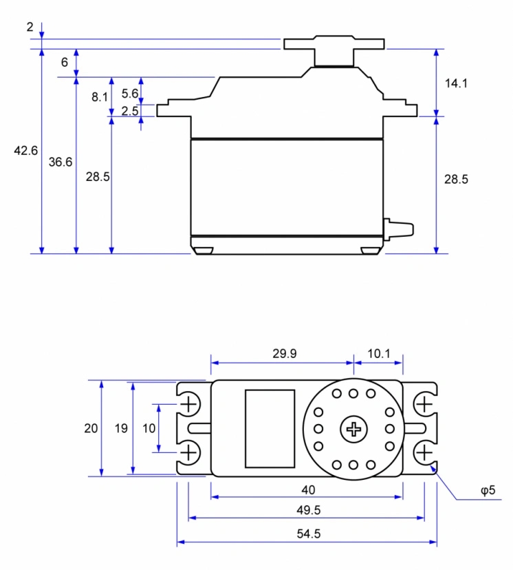
- Größe: 40 x 20 x 36,6 mm
- Gewicht: 54 g
- Geschwindigkeit bei 6,6 V: 0,10 s/60°
Drehmoment bei 6,6 V: 12,5 kg/cm
Geschwindigkeit bei 7,4 V: 0,09 s/60°
Drehmoment bei 7,4 V: 13,8 kg/cm
Technische Daten:
- Betriebsspannung: 6,0 - 8,4 V
- Stellgeschwindigkeit 60° (7,4 V): 0,09 s
- Stellmoment (7,4 V): 13,8 kgcm
- Abmessungen: 40x20x36,6 mm
- Gewicht: 54 g
Details:
- Das Futaba S-HC501 ist das neue, preiswerte HV-Digital-Servo für Hubschraubermodelle,
welche keine extrem hohen Stellkräfte benötigen. - 13,8 kgcm Drehmoment und 0,09 sec/60° Stellzeit bei 7,4V lauten die Eckdaten des Servos.
- Das Kuststoffgehäuse hat eine Größe von 40 x 20 x 36,6 mm.
Die Adressierung der Servos kann auf verschiedenen Wegen erfolgen:
1. Über den S.BUS-Empfänger
2. Mit dem handlichen Programmer SBC-1
3. Über die PC-Link Software mit dem USB-Adapter CIU-3
4. Am S.BUS Anschluss des Senders
Folgende Parameter sind konfigurierbar:
S.BUS-Kanalzuweisung
Servoumpolung
Servotyp (Normal / Einziehfahrwerk)
Weicher Anlauf (An / Aus)
Modewahl bei Signalausfall Hold oder Frei
Weicher Servolauf (An / Aus)
Servoposition (Servotester)
Servomittenverstellung +/- 300 µs (ca. 30 Grad)
Servogeschwindigkeit, 0,39...9 Sekunden pro 45 Grad
Deadband-Einstellung (Totbereich)
Servowegeinstellung links und rechts getrennt, ca. 50...175%
Startkraft
Dämpfung
Haltekraft
ID-Speicherung